Магнитный ротор серия RMM
Особенности:
- Может быть установлен на линии с порошковым или гранулированным материалом.
- Вращающийся магнит увеличивает частоту контакта с материалом, что улучшает характеристики магнитного ротора при магнитной сепарации.
- Поддерживает магнитную силу до 1,6 тесла.
Стандартные характеристики:
| Модель | Уровень мощности, кВт | Материал |
|---|---|---|
| RMM-100 | 0.2 | |
| RMM-125 | 0.2 | SCS13 |
| RMM-150 | 0.25 | SUS304 |
| RMM-200 | 0.4 | Other |
| RMM-250 | 0.4 | |
| RMM-300 | 0.4 |
Также доступны специальные модели
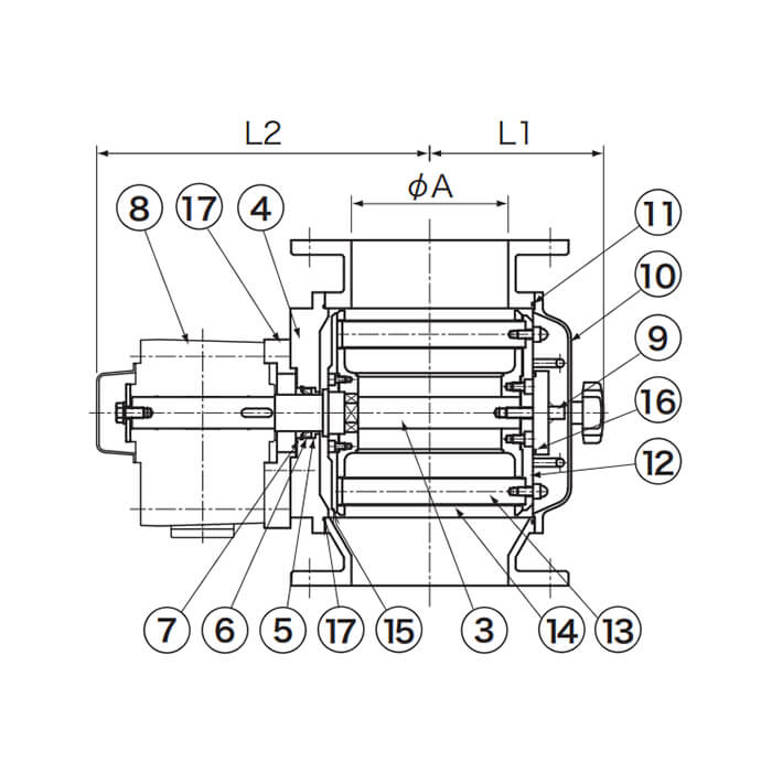
Описание схемы
| 1 | Корпус |
| 2 | Ротор |
| 3 | Вал |
| 4 | Торцевая кышка |
| 5 | Кольцевое уплотнение |
| 6 | Сальник |
| 7 | Верхнее кольцо |
| 8 | Мотор-редуктор |
| 9 | Нажимной болт ротора |
| 10 | Дверца (Открытие и закрытие) |
| 11 | Уплотнительное кольцо |
| 12 | Монтажная пластина магнита |
| 13 | Магнит |
| 14 | Обсадная труба |
| 15 | Опорная плита обсадной трубы |
| 16 | Уплотнительное кольцо |
| 17 | Крепление двигателя |
| 18 | Уплотнительное кольцо |
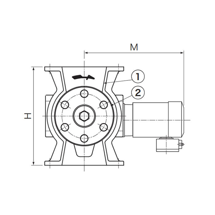
| Модель | A, мм | H, мм | L1, мм | L2, мм | M, мм | Мотор с редуктором, кВт |
|---|---|---|---|---|---|---|
| RMM-100 | 100A | 270 | 147 | 252 | 295 | 0.2~ |
| RMM-125 | 125A | 300 | 151 | 262 | 323 | 0.2~ |
| RMM-150 | 150A | 330 | 166 | 318 | 323 | 0.4~ |
| RMM-200 | 200A | 380 | 200 | 283 | 323 | 0.4~ |
| RMM-250 | 250A | 440 | 218 | 362 | 323 | 0.4~ |