Санитарный тип

Новейшая опция для самой продаваемой модели.

Особенности:

  • Разработанный двойной ленточный смеситель.
  • Корпус без прокладки.
  • Структура уплотнения вала в зависимости от условий эксплуатации.
  • GMP опция по запросу.
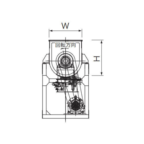
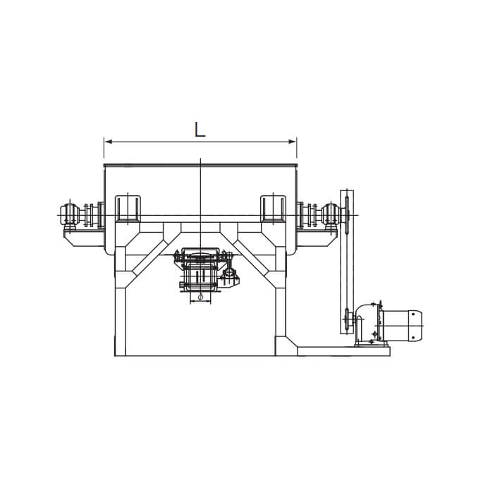
Модель Эффекивная емкость, л Мощность, кВт Скорость вращения, об/мин Диаметр выпуска, Ø мм Длина, мм Ширина, мм Высота, мм
ARM- 60 0.75 70 100 700 330 430
100 1.5 64 100 900 380 480
200 2.2 32 150 1000 500 600
300 3.7 40 150 1200 560 670
500 5.5 34 150 1450 670 850
800 7.5 29 200 1600 800 1000
1000 7.5 25 200 1800 900 1100
1500 11 24 300 2150 950 1150
2000 15 23 300 2550 1000 1200
3000 22 19 300 2550 1250 1450
4000 37 17 300 2800 1350 1600
5000 45 16 300 3200 1450 1750
Примечание: приведенные выше значения рассчитаны для насыпной плотности 0,7 кг/л или ниже.