Санитарного типа

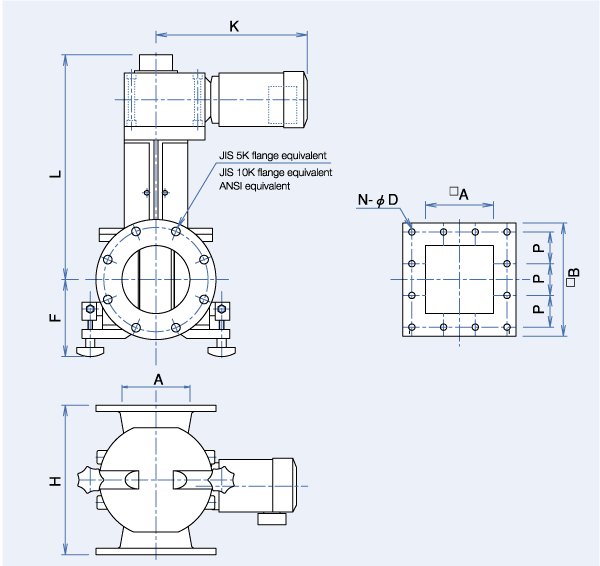
  • Тип фланца: SM (круглый) и SA (прямоугольный)
  • Диаметр: 80…300 мм
  • Материал корпуса: FC/SS (чугун с хлопьевидным графитом/конструкционная сталь), SCS/SUS (нержавеющая сталь), AC/AL (алюминий)
  • Тип ротора: Открытого типа (без замыкающего диска), с замыкающим диском, полиуретановый ротор, одиночный винтовой, двухвинтовой, с пониженной производительностью, с закругленным дном, карманного типа
  • Материал ротора: FC/SS, SCS/SUS, уретан, неопрен, алюминий, пластмасса, т.д.

Слева на картинках: тромбонного типа (выдвижной), продувочного типа санитарного исполнения, легковесного типа 

Особенности:

  • Быстрая и простая разборка и сборка позволяет сократить время очистки
  • Широкий ассортимент продукции: от 80 до 300 мм в диаметре
  • Круглые и прямоугольные фланцы для клапана каждого размера
  • Стандартный тип напрямую соединен с мотор-редуктором (также тип с цепной передачей)
  • Уникальные характеристики, основанные на богатом опыте
  • Произведено более 5 000 клапанов
  • Соответствует GMP, HACCP, и CIP

Другие модели (типы) и размеры (тип фланца, JIS5K/10K, уплотнительное кольцо, прямоугольный тип, т.д.) возможно уточнить по запросу. Материалы могут быть заменены на нержавеющую сталь SUS304, литую сталь, алюминий и т.д. – по запросу. Опция «М» - заменяется на «А» при заказе клапана с прямоугольного типа фланцем. (SA-000)