Стандартного типа
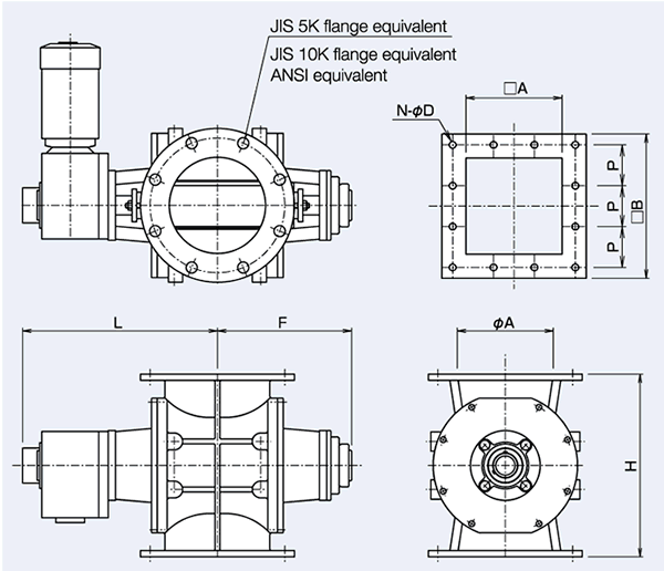
- Тип фланца: RM (круглый) и RA (прямоугольный)
- Диаметр: 50…750 мм
- Материал корпуса: FC/SS (чугун с хлопьевидным графитом/конструкционная сталь), SCS/SUS (нержавеющая сталь), AC/AL (алюминий)
- Тип ротора: Открытого типа (без замыкающего диска), с замыкающим диском, полиуретановый ротор, одиночный винтовой, двухвинтовой, с пониженной производительностью, с закругленным дном, карманного типа
- Материал ротора: FC/SS, SCS/SUS, уретан, неопрен, алюминий, пластмасса, т.д.
Особенности:
- Отличная производительность и высокая герметичность
- Подача сыпучих материалов с фиксированной скоростью
- Широкий ассортимент продукции: от 50 до 750 мм в диаметре
- Круглые и прямоугольные фланцы для клапана каждого размера
- Стандартный тип напрямую соединен с мотор-редуктором (также тип с цепной передачей)
- Надежный клапан с исключительной долговечностью
- Уникальные характеристики, основанные на богатом опыте
- Установлены в более чем 200 000 загрузочных устройствах
Стандартные характеристики:

Стандартные размеры (тип прямой передачи):

