Базовая модель

Особенности:

  • Эффективно сушит гранулированное сырье в вибрирующем псевдоожиженном слое.
  • Регулируемое время удерживания с помощью демпфера на псевдоожиженном слое
  • Разгрузка продуктов при низкой температуре через специальную зону охлаждения.

Сфера применения:

  • Процесс сушки приправленных сухих продуктов, приправ, пищевых добавок, специй, фармацевтических продуктов, кормов для домашних животных, удобрений и общих химических товаров.

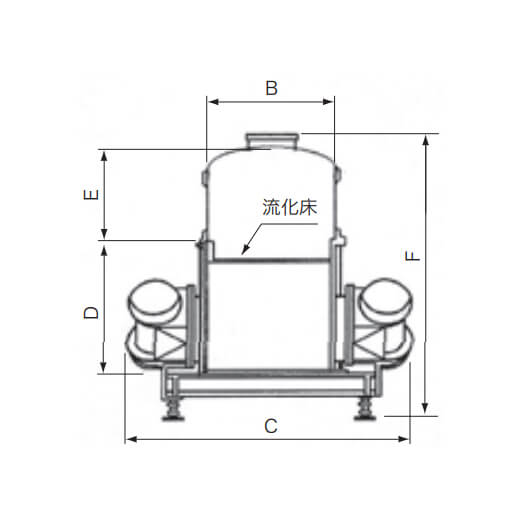
Единица измерения, мм

Модель A B C D E F
AVFD300 2500 300 500 400 400 1000
AVFD600 3000 600 800 500 500 1400
AVFD900 4000 900 1200 700 700 1900
AVFD1200 5000 1200 1600 800 750 2100
AVFD1500 6000 1500 1900 800 800 2200
AVFD1800 7000 1800 2400 1000 1050 2850

Возможно изготовление по индивидуальному дизайну и запросу в соответствии с требованиями на конкретной площадке. Для получения более подробной информации, пожалуйста, свяжитесь с нами. Мы предоставляем AVFD150 × 1500 L в качестве испытательной машины. Вышеуказанные размеры могут быть изменены без предварительного уведомления.