Система точного взвешивания Aishin
Вырезной тип.
Особенности
- Не оставляет остатков после измерения.
- На точность измерения не влияют физические свойства материала.
- Основной корпус изготовлен из нержавеющей стали. Материалы не контактируют с прокладкой.
Очистка
- Легко разбирается для очистки (поддерживает стандарт СОР).
- Простая конфигурация состоит всего из 10 частей с высокой способностью очистки.
- Для системы привода (сервоцилиндр) могут быть выбраны IP67 и IP69K.
Применение
- Пищевые продукты, фармацевтическая продукция, продукция тонкой химии, материалы для аккумуляторных батарей и т.д.
- Абразивные материалы, материалы с плохой текучестью и другое.
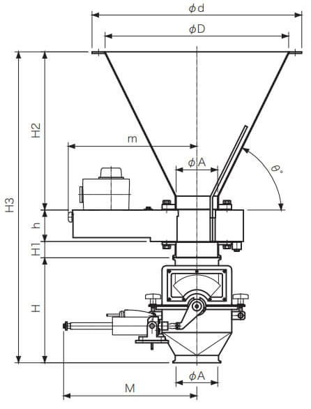
Характеристики прибора
- [Точность измерения] Пример: 30 кг±1 г/мин Прим.: Возможны изменения в зависимости от физических свойств материала.
- [Материал] SUS304, SUS316L, PTFE, силикон, СКЭПТ.
Внутренняя поверхность: финишная обработка металлической крошкой #300. Остальные поверхности: финишная обработка металлической крошкой.

| Калибр | Тип маятника | ||
|---|---|---|---|
| 100A | 150A | 200A | |
| A | Ø108 | Ø158 | Ø208 |
| H | 330 | 400 | 480 |
| M | 510 | 510 | 645 |
| h | 100 | 120 | 165 |
| m | 310 | 495 | 515 |
| θ° | 60° | 64° | 64° |
| D | Ø680 | Ø700 | Ø740 |
| d | Ø780 | Ø800 | Ø840 |
| H1 | 62 | 62 | 62 |
| H2 | 550 | 600 | 575 |
| H3 | 1045 | 1185 | 1285 |
Единица измерения: мм.